分类:连接器产品
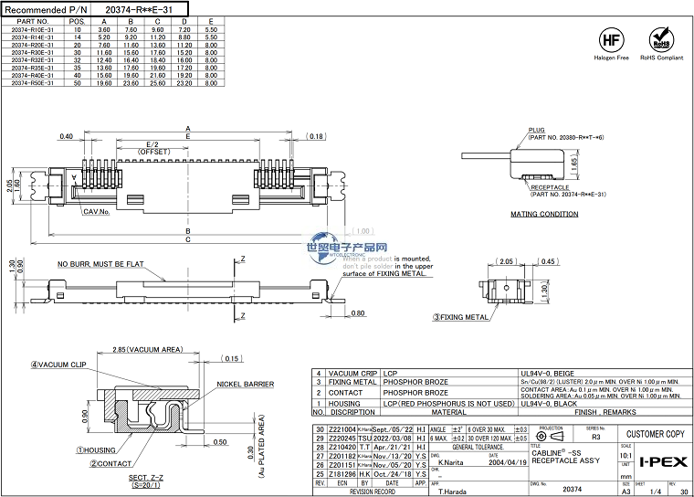
兼容/替代I-PEX|I-PEX连接器|日本精工|20374-R14E-31|0.4mm间距LVDS连接器母座产品是一款:窄型,坚固,垂直插拔,水平出线,能够承受较大电流(AWG#34)间距0.4 mm,耐高温,耐高湿型可选的极细同轴线连接器母座;其主要特点是:窄小型设计适于穿孔,电源供电用途用更大可配合AWG#34线缆使用;独特W-Point双触点设计,实现高接触可靠;耐高温/高湿度(高压灭菌)可选。【联邦电子产品网提供兼容I-PEX|I-PEX连接器|日本精工|20374-R14E-31|0.4mm间距LVDS连接器母座替代品】。

------------------------------------------------------------------------------------------------
1、兼容/替代I-PEX|I-PEX连接器|日本精工|20374-R14E-31|0.4mm间距LVDS连接器母座产品相关技术参数:
| 嵌合类型 | 垂直 |
| Contact pitch | 0.40 mm |
| Height | 1.85 Max (1.65 Nom.) , |
| Depth | 3.00 mm |
| Width Formula | 5.80+(0.4*?p) mm |
| Pin count | 14 |
| Micro-Coaxial Cable (AWG) | #38 #40 #42 #44 #46 |
| Discrete Cable (AWG) | #34 #36 #38 #39 #40 #42 #44 #46 |
| Current rating | 0.24A AC/DC [AWG #42] per contact/up to 50 contacts 0.25A AC/DC [AWG #40] per contact/up to 50 contacts 0.30A AC/DC [AWG #40] per contact/up to 32 contacts 0.35A AC/DC [AWG #36] Pper contact/up to 50 contacts 0.40A AC/DC [AWG #36] per contact/up to 37 contacts 0.35A AC/DC [AWG #34] per contact/up to 50 contacts 1.00A AC/DC [AWG #34] per contact/up to 2 contacts |
| Applicable Standards (Reference Only) | USB 3.1 Gen 1 (5 Gbps) eDP HBR 3 (8.1 Gbps) eDP HBR 2 (5.4 Gbps) eDP (2.7 Gbps) HDMI 2.0 (6 Gbps) V-By-One HS 1.4 (4 Gbps) MiPi standards |
| Full shielding (ZenShield®) | No |
| Mechanical lock | No |